卤素灯用电子变压器
卤素灯又称石英灯,它常以石英玻璃做成反射灯罩,制作成石英射灯。石英射灯具有聚光、亮度高、显色性好、外形新颖和寿命长等优点,普遍用于舞厅、宾馆和商场等场所做特殊照明,也可用于展室的橱窗及照相行业的摄影厅。目前,家庭使用石英灯也逐渐增多。普通石英射灯使用12V/50W的小型卤素灯泡,配用小体积的电子变压器,使其效率提高,体积重量均减少。
本电子变压器采用工程阻燃塑壳,外观小巧玲珑。主要电气参数:电源电压AC220V+10%;电源频率50~60Hz;输出电压AC12V;输出功率50W;功率因数0.99。
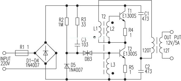
电子变压器实际上是一种隔离型开关电源,电路原理如附图所示,它主要由全桥整流滤波、开关变换、小体积磁芯隔离降压变压器三部分组成。变换开关元件由于采用了NPN型三重扩散表面玻璃钝化平面型晶体管,它具有击穿电压高、电流容量大、开/关时间短的特点,因此开关管的安全工作区得到保证。电路有较高的使用效率和可靠性,可长时间连续工作。隔离降压变压器亦是本机关键,磁芯参数确定了传输功率,匝数比确定了输出电压。本变压器使用EE25磁芯,初级绕120匝,次级用多股并绕12匝,磁芯不作间隙,组装后经专用树脂浸渍处理而成。
使用注意事项:
1. 只限接入小于指定功率的负载,也就是配接12V石英灯泡、功率在20~50W之间;
2. 严禁输出短路,并保持变压器四周通风。

- 刊登此文只为传递信息,并不表示赞同或者反对作者观点。
- 如果此内容给您造成了负面影响或者损失,本站不承担任何责任。
- 如果内容涉及版权问题,请及时与我们取得联系。
上一篇:用DVD激光头制作激光手电筒视频
下一篇:自制简易家用逆变电源(图文)

文章评论